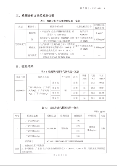
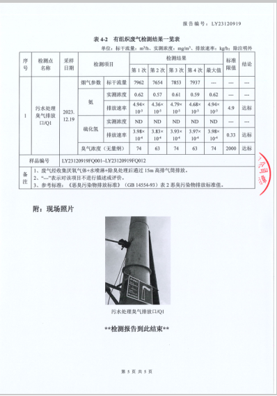
23年有组织废气无组织气体

所属分类:首页 > 造纸文化 / 发布时间:2024-09-21 14:08:28 / 作者:1

image.pngimage.pngimage.pngimage.pngimage.pngimage.pngimage.pngimage.pngimage.pngimage.pngimage.pngimage.pngimage.pngimage.pngimage.pngimage.pngimage.pngimage.pngimage.png

Copyright © 2002-2021 源诚纸业有限公司 版权所有 粤ICP备2021094416号