欢迎来到源诚纸业官方网站
0754-85756526
网站首页
产品中心
新闻动态
加入我们
关于我们
联系我们
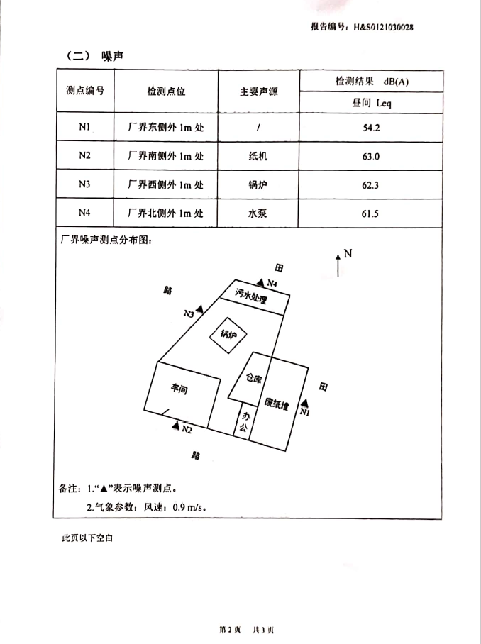
2021年源诚造纸厂第一季度废水监测报告
所属分类:
首页
>
信息披露
>
公司新闻
/ 发布时间:2021-06-18 15:38:58 / 作者:管理员
Copyright © 2002-2021 源诚纸业有限公司 版权所有
粤ICP备2021094416号